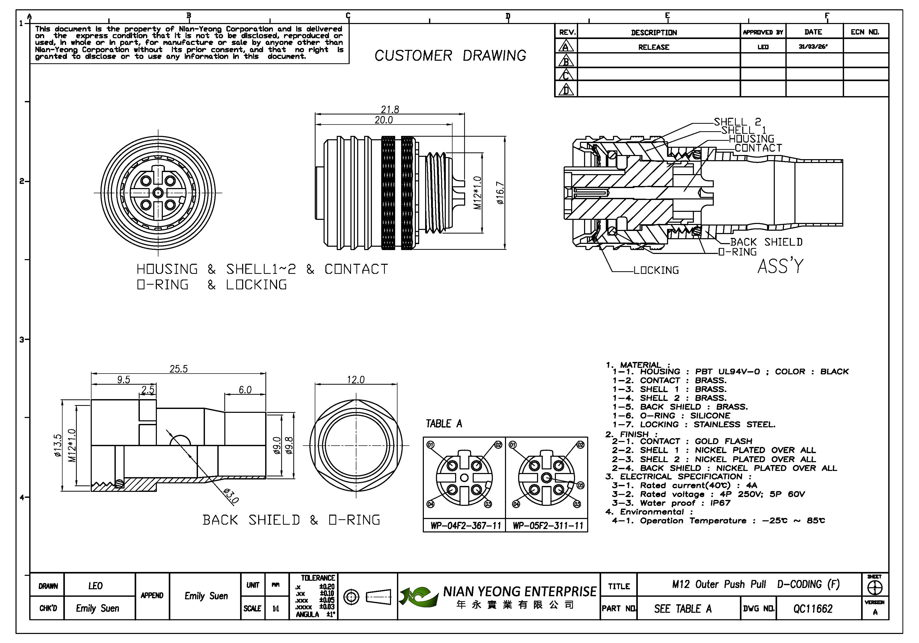
M12 母頭 5PIN D-Coded 推拉式外部鎖定線端成型式防水連接器/連接器






WP-05F2-311-11/連接器
產品特性
- Gender 母頭
- No. of Contacts 5 Pin
- Rated Current 4A
- Rated Voltage 60V
- Waterproof Rating IP67
- Operation Temperature -25℃ ~ 85℃
材質
- Housing PBT
- Contact Brass
- Shell 1 Brass
- Shell 1 Brass
- Back Shell Brass
- O-Ring Silicone
- Locking Stainless Steel
產品影片
/ 連接器